第一节 中国汽车中央电器控制盒项目产业发展环境
一、宏观经济环境 分析
1、GDP增长 研究
2005-2009年我国GDP增长变化情况
2009年国内生产总值335353亿元,比上年增长8.7%。分产业看,第一产业增加值35477亿元,增长4.2%;第二产业增加值156958亿元,增长9.5%;第三产业增加值142918亿元,增长8.9%。第一产业增加值占国内生产总值的比重为10.6%,比上年下降0.1个百分点;第二产业增加值比重为46.8%,下降0.7个百分点;第三产业增加值比重为42.6%,上升0.8个百分点。
2010年4月份,规模以上工业增加值同比增长17.8%,增速比3月份小幅回落0.3个百分点;1-4月份累计,工业增加值同比增长19.1%,增速比一季度回落0.5个百分点。
2、投资、消费、进出口 研究
1)投资:城镇固定资产投资保持快速增长。
2010年1-4月份,城镇固定资产投资46743亿元,同比增长26.1%,比上年同期回落4.4个百分点,比一季度回落0.3个百分点。其中,国有及国有控股投资19394亿元,增长20.8%;房地产开发投资9932亿元,增长36.2%。
从项目隶属关系看,1-4月份,中央项目投资3833亿元,同比增长10.6%;地方项目投资42910亿元,增长27.6%。在注册类型中,1-4月份,内资企业投资43066亿元,同比增长28.1%;港澳台商投资1627亿元,增长13.0%;外商投资1866亿元,增长1.3%。
分产业看,1-4月份,第一产业投资增长16.5%,第二产业投资增长21.7%,第三产业投资增长29.7%。在 行业 中,1-4月份,煤炭开采及洗选业投资592亿元,同比增长27.8%;电力、热力的生产与供应业投资2225亿元,增长5.6%;石油和天然气开采业投资506亿元,增长2.7%;铁路运输业投资1136亿元,增长17.5%。
从施工和新开工项目情况看,1-4月份,累计施工项目189916个,同比增加17443个;施工项目计划总投资317353亿元,同比增长27.5%;新开工项目85196个,同比减少1224个;新开工项目计划总投资48328亿元,同比增长31.3%。
从到位资金情况看,1-4月份,到位资金67596亿元,同比增长35.1%。其中,国家预算内资金增长14.2%,国内贷款增长33.8%,自筹资金增长31.9%,利用外资下降9.5%。2、消费:成为国民经济回升向好进一步发展的关键。
2010年一季度社会消费品零售额达36374亿元,同比增长17.9%。比上年同期加快2.9个百分点。据初步测算一季度最终消费对GDP的增长贡献率为52%,拉动GDP增长6.2个百分点,成为国民经济回升向好进一步发展的关键。但与其它国家相比,这一数据仍显不足,空间仍需拓展。
汽车类、家具类、家用电器和音像品器材类等热点消费品快速增长,成为社会消费品增长的三大主力。但如果从边际规律和其它商品价格的变化趋势上看,汽车类消费和家具类消费的增速可能将趋于缓慢,从而需要我们平衡这一过于集中的消费结构,使社会消费增长趋势得以延续。
居民收入增速低于GDP增速和财政收入增长加快说明“藏富于民”仍旧没有具体落实,政府消费和政府投资将在相当长一段时间里仍然是内需的主要角色。因此,推进分配制度改革,降低赋税水平,增加居民收入,增强消费动能是未来提升内需增长的努力方向。
2)消费:社会消费品零售总额继续平稳较快增长、居民消费价格温和上涨、工业品出厂价格涨幅有所扩大。
(1)社会消费品零售总额继续平稳较快增长
2010年4月份,社会消费品零售总额11510亿元,同比增长18.5%,比上年同月加快3.7个百分点,比3月份加快0.5个百分点。1-4月份,社会消费品零售总额47884亿元,同比增长18.1%,比上年同期加快3.1个百分点,比一季度加快0.2个百分点。
按经营单位所在地分,4月份,城镇消费品零售额9980亿元,同比增长18.9%;乡村消费品零售额1530亿元,增长16.0%。
按消费形态分,4月份,餐饮收入1265亿元,同比增长17.0%;商品零售10245亿元,增长18.7%。在商品零售中,限额以上企业(单位)商品零售额4293亿元,增长31.3%。
(2)居民消费价格温和上涨
2010年4月份,居民消费价格同比上涨2.8%(上年同月为下降1.5%),涨幅比上月扩大0.4个百分点。其中,城市上涨2.7%,农村上涨3.0%;食品价格上涨5.9%,非食品价格上涨1.3%;消费品价格上涨3.2%,服务项目价格上涨1.6%。1-4月份,居民消费价格同比上涨2.4%(上年同期为下降0.8%),涨幅比一季度扩大0.2个百分点。分类别看,4月份,八大类商品价格五涨二降一平,其中食品价格同比上涨5.9%,烟酒及用品类价格同比上涨1.7%,衣着类价格同比下降1.3%,家庭设备用品及维修服务价格同比下降0.5%,医疗保健及个人用品类价格同比上涨2.8%,交通和通信类价格同比持平,娱乐教育文化用品及服务类价格同比上涨0.4%,居住价格同比上涨4.5%。
4月份,居民消费价格环比上涨0.2%。其中,城市上涨0.2%,农村上涨0.2%;食品价格下降0.1%,非食品价格上涨0.3%;消费品价格上涨0.1%,服务项目价格上涨0.5%。分类别看,4月份,食品价格环比下降0.1%,烟酒及用品类价格环比持平,衣着类价格环比上涨0.1%,家庭设备用品及维修服务价格环比持平,医疗保健及个人用品类价格环比上涨0.3%,交通和通信类价格环比下降0.1%,娱乐教育文化用品及服务类价格环比上涨0.5%,居住价格环比上涨0.9%。
(3)工业品出厂价格涨幅有所扩大
4月份,工业品出厂价格同比上涨6.8%(上年同月为下降6.6%),涨幅比上月扩大0.9个百分点;1-4月份,工业品出厂价格同比上涨5.6%(上年同期为下降5.1%),涨幅比一季度扩大0.4个百分点。4月份,生产资料出厂价格同比上涨8.5%,其中采掘工业上涨30.9%,原料工业上涨13.6%,加工工业上涨3.3%;生活资料出厂价格同比上涨1.4%,其中食品类上涨2.6%,衣着类上涨1.6%,一般日用品类上涨1.4%,耐用消费品类下降0.6%。4月份,工业品出厂价格环比上涨1.0%。
4月份,原材料、燃料、动力购进价格同比上涨12.0%(上年同月为下降9.6%),涨幅比上月扩大0.5个百分点;1-4月份,原材料、燃料、动力购进价格同比上涨10.4%(上年同期为下降7.7%),涨幅比一季度扩大0.5个百分点。4月份,有色金属材料类购进价格上涨29.1%,燃料动力类上涨24.0%,化工原料类上涨7.4%,黑色金属材料类上涨8.3%。
3)出口:工业品出口呈恢复性回升。
2010年一季度,规模以上工业出口交货值在去年较低基数上同比增长25.2%(去年同期为下降16%),比2008年同期增长4.6%。其中3月份增长25.7%,比前两个月加快3.3个百分点。另据海关统计,一季度我国外贸出口额3162亿美元,同比增长28.7%(去年同期下降19.7%),其中3月份增长24.3%。
二、政策法规及标准
1、2009-2010年汽车 行业 相关新政策
1)《汽车产业调整和振兴 规划 》
2009年,国务院出台了《汽车产业调整和振兴 规划 》,该政策对汽车中央电器控制盒的影响将在中央电器控制盒产业整体 规划 中论述,这里简单介绍一下 规划 目标:
(1)汽车产销实现稳定增长。2009年汽车产销量力争超过1000万辆,三年平均增长率达到10%。
(2)汽车消费环境明显改善。建立完整的汽车消费政策法规框架体系、科学合理的汽车税费制度、现代化的汽车服务体系和智能交通管理系统,建立电动汽车基础设施配套体系,为汽车市场稳定发展提供保障。
(3)市场需求结构得到优化。1.5升以下排量乘用车市场份额达到40%以上,其中1.0升以下小排量车市场份额达到15%以上。重型货车占载货车的比例达到25%以上。
(4)兼并重组取得重大进展。通过兼并重组,形成2-3家产销规模超过200万辆的大型汽车企业集团,4-5家产销规模超过100万辆的汽车企业集团,产销规模占市场份额90%以上的汽车企业集团数量由目前的14家减少到10家以内。
(5)自主品牌汽车市场比例扩大。自主品牌乘用车国内市场份额超过40%,其中轿车超过30%。自主品牌汽车出口占产销量的比例接近10%。
(6)电动汽车产销形成规模。改造现有生产能力,形成50万辆纯电动、充电式混合动力和普通型混合动力等新能源汽车产能,新能源汽车销量占乘用车销售总量的5%左右。主要乘用车生产企业应具有通过认证的新能源汽车产品。
(7)整车研发水平大幅提高。自主研发整车产品尤其是小排量轿车的节能、环保和安全指标力争达到国际先进水平。主要轿车产品满足发达国家法规要求,重型货车、大型客车的安全性和舒适性接近国际水平,新能源汽车整体技术达到国际先进水平。
(8)关键零部件技术实现自主化。发动机、变速器、转向系统、制动系统、传动系统、悬挂系统、汽车总线控制系统中的关键零部件技术实现自主化,新能源汽车专用零部件技术达到国际先进水平。
2)2010年汽车购置税将有新变化
财政部、国家税务总局日前下发通知称,经国务院批准,对2010年1月1日至12月31日购置1.6升及以下排量乘用车,暂减按7.5%的税率征收车辆购置税。
早在2009年12月9日,国务院即已召开常务会议,决定“将减征1.6升及以下小排量乘用车车辆购置税的政策延长至2010年底,减按7.5%征收”。而去年以来,1.6升及以下排量乘用车购置税率享受减半即5%的优惠税率。
3)轻型汽车燃料消耗量公示制度将建立
按照工业和信息化部《轻型汽车燃料消耗量标示管理规定》,2010年1月1日起,在中国境内销售的总质量3.5吨及以下的乘用车和轻型商用车粘贴《汽车燃料消耗量标识》,汽车生产企业或进口汽车经销商需将不同油耗车型的《汽车燃料消耗量标识》样本报工业和信息化部备案,工业和信息化部将定期公告轻型汽车燃料消耗量指标。
2010年1月1日,工业和信息化部门户网站将推出“轻型汽车燃料消耗量标识通告”栏目,公开发布并将定期更新企业报送备案的汽车燃料消耗量指标数据,为社会各界提供了解、查询、检索汽车燃料消耗量信息平台。
2、国家政策倾向 分析
在我国汽车零部件的进口关税虽然相对较低,根据政府的规定,一旦进口零部件的价值总额超过了整车价值的60%,那进口的零部件就要按照整车进口的关税率进行课税。
所以从这点来说,政府是鼓励企业采用国产零部件的。这样,对于某些高品质的中央电气控制盒而言,这项政策无疑为其提供了良好的发展环境。
3、技术标准
QC/T707-2004《车用中央电气接线盒技术条件》
第二节 汽车中央电器控制盒项目技术发展现状
一、技术 发展 分析
现有的汽车中央电气接线盒从内部电路结构分大致有3种。
第1种是直接由导线带端子固定在塑料盒体上,为满足功能要求在盒体内可能有一些汇流条(为了简化内部结构,用铜板将电流引入,分配到各路熔断器,再通过端子导线分配给各用电器)。这种中央电气接线盒主要起熔断器盒的作用;内部结构比较简单,继电器等电路都是相互独立,电路之间的连接靠线束中的导线来实现。这种控制盒不具备防尘防水的功能,为了工作可靠必须安装在驾驶室里,国内20世纪80年代引进生产的车型大多采用这种中央电气接线盒。如:昌河CH6353车,单、双排车及CH1018车采用的就是这种中央电气接线盒。
第2种是采用几层线路叠加的方式来实现内部电路的连接控制,每层线路有很多冲压的铜条按要求排布构成,每层线路之间由橡胶板分开,橡胶板上有凹槽和孔,对铜条线路起着定位、固定和穿过的作用。这种中央电气接线盒由于使用了多层线路,能满足熔断器、电路导通和一些继电器的电路功能,国内20世纪90年代引进生产的车型大多采用这种中央电气接线盒。象现在生产的北斗星系列车,爱迪尔系列车采用的就是这种中央电气接线盒。但由于该种控制盒内部电路是靠很多铜条来实现,使得控制盒很重,如果电气功能复杂,这种中央电气接线盒则满足不了要求。如北斗星系列车使用上述中央电气接线盒的同时,还另外使用了9路熔断丝盒,有4个继电器单独安装在支架上。
以上这2种中央电气接线盒无法实现复杂功能的电气要求,如与整车线束结合起来看,质量大、品质保证能力差,不便于整车及各部件批量生产。
第3种是采用印刷电路板(PrintedCircuitBoard)的方式来实现内部电路的连接控制,这种电路板能将熔断器、电路导通和继电器等集成在一起,真正实现集中控制,整体上美观整齐。目前国内有些车型采用这种印刷线路板的中央电气接线盒,所使用的线路板大多为1层双面覆铜电路板,基本上能满足现代汽车电气功能要求。如现在生产的CH6370海豚系列车采用的就是这种中央电气接线盒。但是随着整车电气功能的增多,在印刷电路板双面上布置走线、插接端子、熔断器、电路导通和继电器,会使印刷电路板面积非常大,在目前车内装备空间越来越小的情况下,采用单层双面覆铜印刷电路板已不能满足要求。
双面覆铜印刷电路板是由两层双面覆铜印刷电路板通过导流柱(由铜制成,连接两层印刷电路板进行电流传递)连接构成的,第1层双面覆铜印刷电路板主要用来满足电气功能要求,在覆铜印刷电路板上分布各个继电器和熔断丝电路;第2层双面覆铜印刷电路板用来满足把电流引到线束上,在该层板上要实现线路的导通、分配布置,与线束对接的插接端子的布置,由于电路要引到不同的线束上,因此端子和线路的布置在这一层非常重要。
采用双层双面覆铜印刷电路板,电路设计将更加自由,可更好地满足整车电气集中控制,电路板质重轻、体积小巧,有非常大的实用价值。
二、工艺流程或特点
电子集成中央电器接线盒构造图
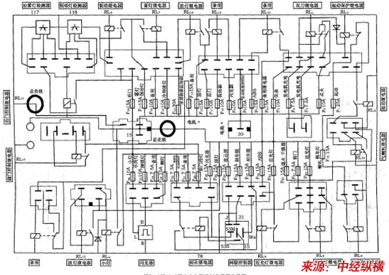
安凯HFF6802型系列客车中央电器控制盒原理电路图
AK-A-1型汽车中央电器控制盒印刷电路板图
第三节 汽车中央电器控制盒项目产业发展特点
一、周期性阶段
汽车中央电器控制盒
行业
周期性
二、区域性分布
我国汽车中央电器控制盒 行业 分布主要以汽车零部件产业基础雄厚、汽车制造业发展较快的华中、华东、华南及东北地区。
三、产业链发展
汽车中央电器控制盒产品
行业
产业链示意图
1、上游 行业
汽车中央电气控制盒由双面覆铜电路板和壳体组装成一个总成。所以,铜 行业 和塑料(如:ABS阻燃工程塑料)构成汽车中央电气控制盒的上游 行业 。
上游 行业 为汽车中央电气控制盒提供原材料。
1)铜材
2003-2009年我国铜材产量统计表
单位:万吨
2)塑料
2006-2009年我国塑料制品产量统计表
单位:万吨
2009年12月国内塑料制品总产量在446.3万吨,较去年同期增加20.9%,2009年1-12月份国内的塑料制品累计总产量在4479.3万吨,较2008年同期增长10.6%。2009年1-12月,我国塑料制品业产量产值均达到两位数增长。2009年1-11月,我国塑料制品业累计实现产品销售收入9354.79亿元,同比增长11.27%,增速比上年同期下降了8.21个百分点。
2、下游 行业
汽车制造 行业 是汽车中央电气控制盒的下游 行业 。下游 行业 形成中央电气控制盒 行业 的产品购买需求。
2003-2009年我国汽车产量统计表
单位:万辆
2009年中国汽车产量区域分布图
免责申明:本文仅为中经纵横 市场 研究 观点,不代表其他任何投资依据或执行标准等相关行为。如有其他问题,敬请来电垂询:4008099707。特此说明。