第一节 产品技术发展现状
1、覆膜工艺
覆膜工艺是日历印刷之后的一种表面加工工艺,又被人们称为印后过塑、印后裱胶或印后贴膜,是指用覆膜机在印品的表面覆盖一层0.012~0.020mm厚的透明塑料薄膜而形成一种纸塑合一的产品加工技术。
作为保护和装饰印刷品表面的一种工艺方式,覆膜在印后加工中占很大的份额,这是因为经过覆膜的印刷品,表面会更加平滑、光亮、耐污、耐水、耐磨,书刊封面的色彩更加鲜艳夺目、不易被损坏,印刷品的耐磨性、耐折性、抗拉性和耐湿性都得到了很大程度的加强,保护了各类印刷品的外观效果,提高了使用寿命。最值得一提的就是,覆膜可以很大程度地弥补印刷产品的质量缺陷,许多在印刷过程中出现的表观缺陷,经过覆膜以后(尤其是覆亚光膜后),都可以被遮盖。因此,覆膜工艺广泛应用于挂历的制作,是一种很受欢迎的印品表面加工技术。覆膜工艺于20世纪80年代进入我国,由于它的诸多优点,在极短时间内便风靡全国,并逐渐成为表面装饰的宠儿。
但随之出现的就是包括环境污染、人体健康、火险等方面的问题。这种工艺主要存在以下问题:
1)影响操作人员健康,存在火灾隐患,溶剂型覆膜由于使用含苯的溶剂,损害操作人员的身体健康,对车间环境造成极大的污染。同时,随着周围有机溶剂浓度的不断增加,极易因薄膜材料产生的静电而突发火灾。而且对周围的环境来说,覆膜工厂本身就是一个严重的污染源,存在潜在危险。
2)覆膜后的纸张和薄膜材料难以回收,浪费资源,现在我国造纸纤维80%的来源是依靠回收废旧纸张,包括纸毛、纸边等。在印刷品中,书刊封面的用纸量也是巨大的,如果大批量采用覆膜(特别是即涂型覆膜材料),又无法将纸张和塑料薄膜分离,那么覆过膜的废旧纸张以及纸边、纸毛都将无法回收,无法降解,这样会带来无法估计的经济损失,实际上就是一种资源浪费。
2、UV上光技术
其实除了覆膜工艺,UV上光也可对印刷品表面起到一定的保护和装饰作用,在很多功能上这两者很相似。由于UV上光成本相对较低,发展也比较迅速,且产品极具诱惑力,因此在某些印后加工领域也占有一定的市场份额。但目前技术上UV上光应用最多的还是局部上光,进行局部UV上光可以提高书籍的档次,如今的印刷厂和出版社都很注重这种工艺,并认为在书刊印刷方面,UV上光可以取代覆膜工艺。但综合来说,UV上光在很多方面还是有局限性的。目前大多数企业的UV上光都是在进行覆膜工艺操作后进行的。
3、预涂膜技术
预涂膜是指预先将塑料薄膜上胶复卷后再与纸张印品复合的工艺。它先由预涂膜加工厂根据使用规格幅面的不同将胶液涂布在薄膜上复卷后供使用厂家选择,而后再与印刷品进行复合。
预涂膜大约是在1989年开始使用,在欧美国家已得到了广泛的应用,1996年左右进入亚洲。我国从2000年以后才开始使用预涂膜,现在预涂膜在我国的市场份额仍然很小。
与即涂膜相比,预涂膜有很多优点。如减少了污染,对人身体无损伤;不会因纸张性质不同或墨色不同而影响覆膜质量;预涂膜覆膜机操作更简单,加工后的图文效果更好;基本消灭了皱褶、气泡、脱落等现象。最值得一提的是,这是一种环保型的工艺,整个生产过程对人身体无害。
第二节 产品工艺特点或流程
1、传统日立制作
日历/的制作工艺主要分为两大部分,即封面的制作工艺及支架的制作工艺,以下对两方面常见的制作工艺进行简单介绍。
1)封面制作工艺
(1)封面UV
指在封面表面涂覆(或喷,或印)上一层无色透明的涂料,从而在封面的表面形成薄而均匀的透明光亮层。不仅保护了印刷品,还能改变印刷品的外贸质感和视觉效果。
(2)封面凹凸印刷
即通过有紧密配合度的一块凹版和一块凸版,夹合封面,在一定压力下,使封面表面形成与凸版相似的图文或花纹,使印刷品具有明显的浮雕感。
(3)封面覆膜
是将塑料薄膜涂上粘合剂,与封面经加热、加压后使之粘合在一起的加工技术。封面经过覆膜后,由于表面多了一层塑料薄膜,更加平滑,而且光泽度和色彩的牢固度也更好,图文颜色鲜艳并富有立体感,同时还拥有了防水、防污、耐磨耐折、耐腐蚀的功能。
2)支架制作工艺
(1)烫金
借助一定的压力和温度,运用装在烫印机上的模版,将金属铝箔或颜色铝箔按烫印模版的图形转印到支架表面。从而使支架的某部分内容或文字具有金属光泽。
(2)热压
主要应用于木质支架,用高密度优质木板作面层板,用人造板作芯层基材(二层结构的则为底层材),用低密度廉价板作底层板,在通用的热压机中进行压合,从而生成成本低廉,外观性能良好的支架材质。
2、万年历的制作工艺
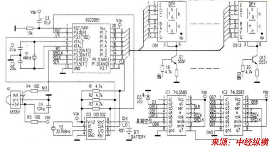
万年历的特点是动态显示、遥控操作;能接多位数码管成多点输出.采用DS1302时钟模块,走时准确、停电能继续计时(精度±5秒/日左右若采用有源晶振,如DS32Hz,走时精度甚至可达到年误差小于2分钟)。
1)硬件电路设计
AT89C2051作为数据处理,DS1302作为计时处理及停电继续走时,用13只LED数码管显示年、月、日、星期、时、分,采用1838V为遥控接收.74LS595作为数码管笔画显示选择移位。
2)工作原理
初始化后,DS1302开始走时。AT89C2051读取时间数据并处理后,通过2级8位移位寄存器(74LS595)将数码管的选通数据送至显示驱动,SRCLK是移位脉冲上升沿有效.RCLK是输出锁存器的锁存信号,其上升沿将移位寄存器的输出锁存到输出锁存器伟是选通信号,只有e为低电平时锁存器的输出才开放。
所有数码管的同一笔画是连在一起的,由AT89C2051对DS1302读回的时间数据进行拆分处理,然后转换成要显示的数字代码,再由SER(AT89C2051的P3.5脚)逐位输出到IC1的(14)脚.以完成对需要显示笔画的数014-,选择,111.1对怒一个数码管的同一笔画进行扫描,第一笔画点亮延时,继续把第二笔画的代码移位至74LS595进行第二个笔画的扫描,直至七个笔画全部显示完为止。
例如,耍显示的时间为07-02-23.则各数的代码分别为3FH、07H、3FH、5BH、BH、4FH。先通过74LS595把3F、07、3F、5B、5B、4F的DO,即低位右移一位,通过74LS595送至驭动三极管的菇极,如果某位为0,则相应的位就不点亮.然后从P1.1输出0,那么该笔画中相应为1的笔画就被点亮,各数相应代码就变为:3FH-1FF,07H-3H、3FI3-1FIi、511H-2DH、5BH-2DH、4FH-27H。
继续通过74LS595把IF,3,1F,2D,2D,27的最低位送至三极管的基极然后P1.2输出0,数码管的第二笔画相应的位被点亮.各数代码则变为:FH,IH,FH,16H,16H,13H。重复上面的移位及扫描,直至7个笔画的显示完成,就完成了07-02-03的全部显示。
这种显示电路的特点是能够同屏显示多位数码管及多位输出。图中还可增加秒闪烁和驱动报时蜂呜器等电路功能。
遥控器采用HA6221系列,遥控接收使用1838V红外接收模块,接AT89C2051的P3.2(外中断0).当1838V接收到遥控信号时.产生中断,处理遥控数据.处理完后返回。电路中用了一块钮扣电ha作为停电走时。
需要注意的是,本电路使用的晶振是4MHz的,如果使用其他频率的晶报,应重新调整遥控解码部分延时的循环次数。另外.遥控器不一样,其键值也需要蚕新定义。
万年历工作电路图

第三节 国内外技术未来发展趋势 分析
1、纸质日历技术发展
由于欲涂膜技术成本较高,很多企业不愿意使用,因而预涂膜产品应该通过规模生产降低成本,从而使市场价格越来越接近印刷厂的需求。与此同时,纸膜分离技术的研发或引进也应引起相关部门的重视,以在无法舍弃覆膜工艺的情况下,实现环保型覆膜,合理发展覆膜工艺。
2、装饰日历
一些制作精美的台历却大受青睐。台历在内容和造型都在不断地创新,不仅款式新颖,工艺上也不断推陈出新,出现了水晶台历、镶金台历、浮雕台历等,成为人们案头的一种装饰。
3、个性日历
个性化日历一经推出,立即成为了人们馈赠亲友的新宠,无论是个人肖像、“全家福”,还是亲朋好友的照片,均可以印制成8K—32K大小不等的挂历或小台历。在印刷过程中,顾客可以参与设计,从电脑图片库里挑选各种风光、花卉等图案,移植到挂历中作为背景,还可以随意改变自己的服饰和挂历背景颜色,在合适的位置加印题字和留言等,不仅扩充了日历的功能,也满足了大众对日历的新需求,有效地填充传统挂历“冷场”留下的市场空间。
4、电子日历技术发展
电子日历的发展正趋向于多功能性,产品样式灵活,功能个性化,可以同时显示公历、农历、节气、国际节日、年月日时干支、生肖、时辰、日记、记事、记事查询、重要记事动态提醒、自定义节日、通讯录管理、日历打印、密码库管理、计算器、定时关机等等,并附带一个十分轻巧的桌面时钟。可以根据使用者不同的喜好设置魔术界面、自定义管理器、电子日记记忆等。
如密码库管理功能,密码库是经过特殊处理的,当然要查看这些密码库是有权限的,别人轻易是不能进去的,即使他把文件拷贝走,里面也是一些乱码,这样可以方便存储银行卡密码等一些重要的东西。
日历的实用性是有目共睹的,百姓们在岁末辞旧换新的观念和习俗也是日历存在的理由。日历要走出今天尴尬的境地就必须求新求变,作为一种商品,要随着商业需求而变化,与市场同步发展,这就需要厂家和经销商更新思路,从技术、样式、内容上创新,从大众的需求出发,开辟新的功能,才能让日历在年货市场上走得更远。
免责申明:本文仅为中经纵横
市场
研究
观点,不代表其他任何投资依据或执行标准等相关行为。如有其他问题,敬请来电垂询:4008099707。特此说明。