第一节 产品技术发展现状
UPS的可靠运行离不开各模块的协调工作,下面就UPS主要功能模块电路拓扑进行简要 分析 。
1、整流和功率因数校正电路
整流电路在应用中构成直流电源装置,是公共电网与电力电子装置的接口电路,其性能将影响公共电网的运行和用电质量。高性能的UPS要求有较高的输入功率因数,并尽量减少输入电流的谐波分量。传统单相UPS多采用模拟方法,三相UPS多采用相控式整流电路和电压型单管整流电路。
1)传统三相相控式整流电路和电压型单管整流电路相控式整流电路采用半控式功率器件作为开关,存在着以下问题:
(1)网侧谐波电流的存在将降低设备网侧功率因数,增加无功功率;
(2)相控整流换流方式,导致换流期中电网电压畸变,不仅使自身电路性能受到影响,而且对电网产生干扰,对同一接地点的网间其他设备带来不良影响;
(3)相控整流环节是一个时滞环节,无法实现输出电压的快速调节。
电压型单管整流电路是三相不控整流桥加Boost电路的简称,它的缺点是:电流峰值大,不仅妨碍系统功率的提高,也增加了导通损耗和开关损耗;为了保持网侧功率因数的提高,Boost电路必须有一定的升压比,这对三相电路会导致直流输出电压过高。
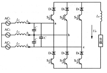
2)电流型三相桥式整流电路
电流型三相桥式整流电路如下图所示,其优点是反馈控制简单,不需要在控制电路中加入电流反馈,只须调节各开关管的占空比就可以实现输入电流正弦化;直流侧的电压较低。缺点是输入电流正弦度不是很好,在输入侧必须加入并联电容,实现移相。这种电路现在开始成为 研究 的热点之一。这种电路适用于大功率整流电路且对功率因数要求不高的场合。

电流型三相桥式整流电路
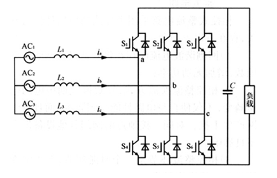
3)电压型三相桥式整流电路
电压型三相桥式整流电路如下图所示,其特点是采用高频PWM整流技术,器件处于高频开关状态,由于器件的开通和关断状态可以控制,所以整流器的电流波形是可控制的。这种电路的优点是可以得到与输入电压同相位的输入电流,也就是输入功率因数为1,输入电流的谐波含量可以接近为零;能量可以双向流动,正常时能量从交流侧向直流侧流动,直流输出电压高于给定值时,能量从直流侧向交流侧流动,具有较高的转换效率。缺点是属于Boost型整流电路,直流侧电压要求较高。这种电路也是近年来 研究 的一个热点。

电压型三相桥式整流电路
2、蓄电池组和充放电电路
蓄电池组是UPS的储能单元,市电正常时它吸收来自市电的能量并以化学能的形式储存起来,一旦市电中断,它把储存的化学能转换为电能向逆变器供电,维持负载供电的连续性。在中小功率的UPS系统中,电池组的电压通常比较低,因此,通常使用能量能够双向流动的充放电电路。大功率系统中为了提高效率,简化电路通常直接把电池组并接在直流母线上。
3、逆变电路
逆变器是UPS的核心,它把直流电能转换成用户所需的稳压稳频的交流电能。下面仍以三相逆变器为对象 分析 近年来逆变器的 研究 热点。
1)三相半桥式逆变电路
在三相逆变电路中以三相半桥桥式电路应用最为普遍,这种电路的特点是采用全控型器件组成逆变器,存在着功率密度高,性能好,小型轻量化等优点。这种电路便于使用新的控制策略以提高逆变器的质量。但是,要实现带100%的独立负载是比较困难的。
2)H桥逆变器
对于超大容量的逆变器,由于功率等级的大幅度提高,对逆变器的结构提出了新的要求,H桥臂逆变器便是选择之一。这种逆变器输出变压器采用多绕组接法,输出变压器的原边采用3个独立的绕组,逆变器输出采用3个独立的H桥。这样控制方便,但是成本较高。
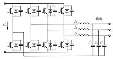
3)三相四桥臂变换技术
由于三相电路中,三桥臂逆变器本身存在着固有的缺陷,人们开始寻求新的电路结构,于是出现了三相四桥臂逆变器,如下图所示。这种电路结构输出为三相四线制,三相电压可以独立控制,控制方法灵活,但是这种拓扑的算法比较复杂,PWM矢量在三维空间中旋转,必须采用数字控制方法才能实现空间PWM波形的生成,这种电路成为了近年来 研究 的热点之一。

三相四桥臂逆变器
4、三相UPS整机电路
1)传统三相UPS电路结构
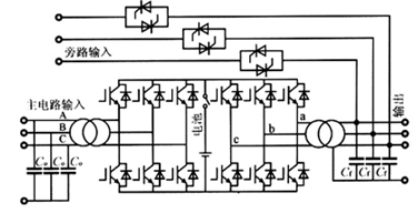
传统的三相UPS结构,输入采用晶闸管整流,输出采用逆变器,电池直接挂接于直流母线,整流器同时作为充电器。输出采用变压器隔离,可以实现输入输出完全隔离,确保电网的扰动不会对负载造成干扰。市电断电时,电池通过逆变器输出稳定的交流电;在逆变器出现故障时,通过旁路输出电压,保证了供电的可靠性。这种结构的主要缺点是体积和重量都比较大。
2)高频链式三相UPS
为了降低成本,减小UPS的体积和重量,出现了高频链式三相UPS,如下图所示。这种电路省去了庞大的工频变压器,输入采用高频整流,可以获得较高的输入功率因数和较低的输入谐波电流。其缺点是输入输出没有变压器隔离,电网的扰动可能会给UPS的输出造成扰动;输出三相电压靠电池和电容中点形成中线,所以在控制中必须保持正负直流电压幅值的相等,否则输出中线会有较大的直流成分,对负载和负载中的变压器不利;输入采用三相四线制,中线有电流流过,可能会造成中线电位偏移,对负载造成干扰;输入输出不隔离,并联时的环流问题较难解决。

高频链式大容量三相UPS的结构
3)新的在线互动式UPS
由于以上两种UPS都要经过两次满功率变换,因此系统的效率较低,从提高系统效率的角度出发,出现了一种串并联补偿式的大容量结构,是一种新的在线互动式结构,如下图所示。这种拓扑输入输出同样没有变压器隔离,所以会有高频链式UPS的缺点。这种UPS的输出频率必须保持与电网一致,而且对电网的扰动的抑制能力不强,因而供电质量比传统的三相UPS差。它的特点是从输入到输出间的能量不是经过满功率的变换,同样是由两个高频变换器组成,但是变换器1最大只承受20%的功率,从成本上讲,这种结构的成本更低。在控制方法上,变换器1是一个电压补偿器,用于补偿电网电压的畸变;变换器2是一个电流补偿器,用于补偿负载的谐波电流,并且在市电断电时作为满功率电压型逆变器向负载供电。

在线互动式大容量UPS
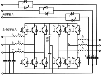
4)输入输出隔离的高频链UPS
由于传统工频UPS的输入输出带有隔离变压器,输出有很好的隔离特性,高频链式的UPS有很好的输入特性,因此,出现了这种带有输入输出隔离的高频链式的UPS如下图所示。由于高频整流的缺点,在输入侧必须接一个自耦变压器降压,增加了整机的重量和成本;另外,由于输入采用了高频变换器,整机的效率比高频链式和传统式UPS的效率都低。但是,由于输入功率因数是1,没有谐波电流,所以所消耗的总电能低于传统三相UPS。

带隔离的大容量UPS结构
5)输入输出并联的UPS
这种电路中,输入端由多个整流器并联而成,给直流母线供电,同时直流母线给多个逆变器提供直流电压,多个逆变器的输出端直接连接同时给负载供电。这种方式可以增强UPS的容量,增加系统的可靠性,成本下降,可维护性增强,但是,并联模块越多,各模块间的均流问题越难解决。
第二节 产品工艺特点或流程
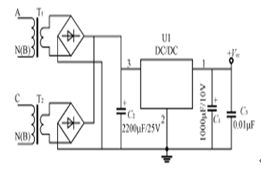
三相电度表有三相三线,三相四线,输入电压有3×(220~240)V/380~400V、3×57V/100V等。三相电度表供电电路可以参考单相电度表电源的设计方法,对于三相四线供电电路,可以在每一相线对零线之间接1只线性变压器,共3只线性变压器;对三相三线可以取一相如Β相作为公共地线,A、C相对Β相接2只线性变压器。这些变压的副边单独整流后再将输出的正极接在一起、负极接在一起,经电容滤波后,再通过DC/DC变换器输出稳定电压,向电度表供电,如下图所示。

三相电度表线性电源
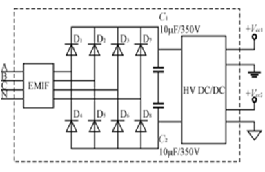
这种供电方式体积和重量较大,成本也较高,显然按以上电路连接时,对三相四线供电时不能缺零线,对三相三线供电时不能缺公共地线,如B相;另外,有的供电局用户要求,三相电度表输入端任意两线有电压输入时都能工作,则图5的设计便不能达到目的;当采用三相电度表专用开关电源模块供电时,可解决以上问题,其内部结构图如下图所示。

三相电度表专用开关电源模块
这种三相电度表专用开关电源模块,体积为32mm×75mm×22mm,输入电压范围宽,在60~480V范围内,任意二线、三线、四线输入都可工作,带有输入过压、输出过流保护功能,电源的EMC特性也较好,另外还有体积小、重量轻、效率高、损耗小等优点,它的每相供电的自身损耗均<0.4W。
第三节 国内外技术未来发展趋势 分析
不间断电源的发展动向是UPS的多机并联冗余化,采用冗余并机技术提高UPS的容量和可靠性;采用功能更丰富的硬件设备实现全数字控制,使各种先进的复杂控制算法得以运用而不断提高UPS的性能,即向数字化和高频化发展;UPS的进一步智能化和网络化,使计算机网络成为不间断网络。
1、UPS的多机并联技术实现冗余化
UPS的并联技术可以带来以下几个方面的好处:
1)可以灵活地扩大电源系统的容量;
2)可以组成并联冗余系统以提高运行的可靠性:
3)极高的系统可维修性,当单台电源出现故障时,可以很方便地通过热插拔的方式进行更换和维修。
采用并联技术可以形成具有容错功能的冗余式供电系统,从目前掌握的资料来看,主要有以下几种冗余配置方案:
1)集中式并联控制;
2)主从式并联控制;
3)分散式并联控制;
4)环链式并联控制;
5)无线式并联控制。
这几种并联方式,从可靠性的角度看,集中式最差,无线式控制最好,也成为近年来的 研究 热点。
2、UPS的数字化、高频化
最初的UPS采用模拟控制方法有很多局限性。随着数字处理器计算速度的不断提高,使得各种先进的数字控制方法得以实现,使UPS的设计具有很大的灵活性,设计周期缩短,性能大为提高。UPS高频化,有效地减小了装置的体积和重量,并可消除变压器和电感的音频噪音,同时改善了输出电压的动态响应能力。数字化控制方法成了当今交流电源领域的一个 研究 热点,一种必然的发展趋势是各种方法相互渗透,互相结合形成复合控制方案。数字化复合控制是UPS控制的一个发展方向。
3、UPS的智能化、网络化
为了适应计算机网络的发展,UPS中已经开始配置RS232接口、RS485接口、USB接口、SNMP卡和MODEM结合,成为计算机网络的一部分,具有以下优异的智能化、网络化特性。
1)实时监控功能
它对UPS各模拟参量和表示工作状态的开关量进行实时高速采样,实现数字式监控。
2)自诊断、自保护功能
UPS将实时采集来的各项模拟参量和工作状态数据以及系统中的关键硬件设备的数据与正常值进行 分析 比较,以判断UPS是否有故障隐患存在。如果有故障,根据相应的故障信息级别在控制面板的显示屏上以友好的图形界面、文字提示方式报警,或者在现场和控制室以指示灯灯光、报警器呜叫方式报警、也可以用自动拨通电话等方式报警,并做出相应的保护动作。
3)人机对话的控制方式
大型UPS可向用户提供监控器液晶显示屏,以图形和文字方式显示工作流程和参数信息。可以提供让用户操作的可视化菜单。并以帮助和不断提示的方式引导用户按照既定方式处理故障,有效防止误操作。
4)远程控制功能
在网络化时代,UPS不仅应能向由它直接供电的硬件设备提供保护,还应该对整个网络中的运行程序和数据以及数据的传输途径进行全面地保护,使之成为不间断网络。这就意味着UPS应配置相应的电源监控软件、SNMP(简单网络管理协议)管理器,使其具有远程管理能力,用户可执行UPS与网络平台之间的远程监控和数据的网络通信操作,使UPS成为网络系统中的重要组成部分。这样,由网管员通过网管软件监控多台UPS,而且被管理的UPS可以在同一个LAN也可以在不同的LAN,甚至可以通过互联网,纳入网络管理系统来管理UPS。
由于未来网络的广泛化和全球化,必然带来网络的复杂化,多种形式的网络系统连接在一起。作为网络系统的一部分,要求UPS能够实现在各种网络平台上的监控,而且随着Internet、Intranet和电子商务的超高速发展,用户对网络的可用性要求会越来越高,使UPS从对网络关键设备的保护延伸至对整个网络路径的保护。
免责申明:本文仅为中经纵横 市场 研究 观点,不代表其他任何投资依据或执行标准等相关行为。如有其他问题,敬请来电垂询:4008099707。特此说明。