第一节 产品生产技术发展现状
现国内外所用超声波洁牙机多采用模拟振荡电路。存在如下缺陷:第一,振荡频率容易漂移。在连续工作一段时间后,振荡频率漂移,造成洁牙机工作不正常。第二,由于压电陶瓷片谐振频带范围窄,谐振频率点采用手动搜索,不容易找准。
第二节 产品生产工艺特点或流程
智能超声波洁牙机以单片机为核心,采用电流取样反馈自动扫描搜索谐振点,谐振频率和振荡强度数字锁定,谐振点漂移极小,从而在根本上解决了模拟振荡电路洁牙机的问题。
1 硬件设计
该洁牙机的基本工作过程如下:TL494为核心振荡电路在MPU控制下产生占空比可控的推挽脉冲输出,由MPU串行发送数据到振荡频率控制电路,控制振荡产生电路的振荡频率,使振荡电路产生的振荡信号的占空比和频率受MPU控制,该振荡信号经功率放大电路放大,经高频变压器升压后驱动压电陶瓷片,把超声振荡电信号转为超声机械振动信号,该机械振动能良好地清除牙垢和牙结石等,从而达到美观牙齿的效果。
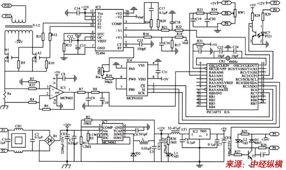
智能超声波洁牙机的硬件电路图
1)电源设计
超声洁牙机在正常工作时功率为10~20W,且要求在180~250V的宽电压范围内工作,为满足要求,减少电源部分发热,电路电源部分采用开关电源。
整机电路原理图 
本开关电源采用摩托罗拉公司的DC—DC控制芯片MC34063,该电路具有线路简单,成本低廉,效率高,温升低的特点。核心元件MC34063是一种单片双极型线性集成电路,片内包含有温度补偿带隙基准源,一个占空比周期控制振荡器驱动器和大电流输出开关。输出电压U=(1+R2/RI)·1.25V,限流电阻为1Ω,故输人电流被限制在0.3V/1Ω=0.3A。
2)振荡电路
振荡信号的产生有多种方法。最简单的方法是由PIC16F73直接产生PWM输出,该方法简洁方便,但有两个缺陷:第一,不能产生推挽振荡信号。因而功率放大电路只能工作在正半周,效率低,发热较严重,不利于电路稳定工作。第二,压电陶瓷片的谐振点在(30±5)kHz,谐振频带宽度≤80Hz。PIC16F73的PWM输出在25~35kHz频率下,步进频率≥lOOHz,因此PICl6F73的PWM输出可能找不到压电陶瓷片的最佳谐振点。
振荡电路控制芯片采用TLt94。推挽振荡信号由TL494的9脚和10脚输出,该信号的频率由T1。494的5脚和6脚外接的电容Ct和电阻Rt决定,Rt和Ct应选用低温漂的电阻和电容。该信号振荡频率计算公式为:fosc=1.1/2Rt·Ct;该信号的占空比由TL494的1脚和2脚的外接信号电压决定。
TLt94芯片内部框图
3)频率控制
为满足压电陶瓷片振荡频率为25~35kHz,步进频率≤80Hz的要求,电路中的Rw是阻值为20kΩ的粗调电位器,数字电位器IC4是PICl6F73控制下的细调电位器。经计算Rw粗调(以1C4为5kΩ计),使,fosc变化范围为24.5~35.7kHz,满足要求。细调的数字电位器IC4选用总阻值10kΩ,256级可调的MCP41010,MCP41010与PIcl6F73的通信采用方便快捷的SPI方式,步进阻值是39.0625Ω。振荡器的步进频率为:

振荡频率为35kHz时的步进频率为30.4Hz,振荡频率为25kHz时的步进频率为15.6Hz。由上述数据可知,采用数字电位器控制TL494工作方式可满足压电陶瓷片谐振带宽的要求。
4)强度控制
本洁牙机设计了灵敏的强度控制电路。PIC16F73的RAl脚外接电位器Rw1,调在不同位置则RAl输入的模拟电压不同,经PICl6F73内部A/D转换为数字信号,该信号决定由CCPl输出的PWM信号的占空比。PWM信号经滤波后送到TI.494的2脚,与l脚送入的参考电压比较,从而决定TL494的9脚和10脚输出的振荡信号脉宽在0~48%。当引脚开关断开时,PIC16F73判断到RC3输入为高电平,则PICl6F73的PWM输出占空比为0,TL494的9脚和10脚输出振荡信号占空比为O,从而控制洁牙机停止机械振荡输出。
5)推挽功率放大
超声机械振荡为了起到良好的洁牙效果,机械振荡必须达到一定的强度,即送到压电陶瓷片的由TL494输出的振荡信号必须先经过功率放大。由于功率管流过的瞬间电流达到1.1A,为减少功率管发热,缩小散热片,采用场效应管作为功率驱动管。本电路中的场效应管采用简法驱动,实践证明,该功率放大电路性能稳定,发热极少,能有效地缩小线路板体积。经功率放大后的信号由高频变压器升压到峰峰值250~350V,送到压电陶瓷片转换为超声机械振荡。
6)谐振点的扫描搜索
压电陶瓷片的谐振点自动扫描搜索是本电路的一大特点和难点。由于压电陶瓷片的谐振点各不相同,为了让电路能适应各种压电陶瓷片,笔者设计了谐振点自动扫描搜索电路。当PICl6F73刚上电,且引脚开关接通时,CCPl的PWM输出脉宽固定为80%,从而TL494的9脚和10脚的输出信号脉宽固定不变。同时PICl6F73周期地发送数据到数字电位器MCP41010,使MCP41010的6脚和5脚问的电阻从O步进到10kΩ,则TL494的9脚和lO脚的输出频率以15.6~30.4Hz步进变化。占空比固定不变的信号,当振荡信号频率与压电陶瓷片的谐振频率一致时,流经场效应管源漏极的电流最大。该电流由采样电阻Ra转变为电压信号,经运放放大后送到PICl6F73的RAO,PIC16F73对该电压进行A/D转换为数值Q,记忆住Q为最大值时送到数字电位器的数据P。当数字电位器由O变化到10kΩ时,压电陶瓷片谐振点的扫描搜索完成。把数据P送到数字电位器,则TL494输出固定频率的振荡信号,即是压电陶瓷片的谐振频率。运放的选型一定要注意带宽大于2MHz,因为采样电阻Ra的峰值电压在扫描搜索时变化很快,如果运放的带宽不足,则可能找不到压电陶瓷片的最佳谐振点。本电路选用带宽为2.8MHz的MCP602。
2、软件设计
软件设计相对简单。软件总流程图如下:
智能超声波洁牙机的软件设计图
压电陶瓷片谐振点扫描搜索子程序流程
3、抗干扰设计
沽牙机自身有电磁阀、脚踩开关、高频变压器等器件会产生较强的干扰。另外,本机还配套用于牙科治疗台,该治疗台有好几台功率较强的电机在工作,会对洁牙机造成严重的电磁干扰。当干扰信号来临时,可能出现死机,程序乱飞,破坏系统参数等不正常现象,故而在硬件和软件上都相应采取一些抗干扰措施。
1)硬件抗干扰
在洁牙机的电源输入端接入电源滤波器,滤除电网中的高次谐波和脉冲干扰。单片机选型时选择带硬件看门狗的型号,或者外加看门狗电路,可以有效地监视程序是否陷入死循环故障。在每个芯片的电源输入端与共地端并接一个O.1μF去耦电容,对脚开关送来的信号进行光隔离。以上措施都是行之有效的。
2)软件抗干扰
第一,软件冗余。对任意的输出信号和设置均不断重复刷新,且周期设定在5ms。对A/D转换采用转换8次求平均法,以得到尽量准确的信号。
第二,软件陷阱。软件陷阱技术是通过跳转指令强行将捕获到的乱飞程序引入复位地址0000H,使程序纳入正轨。在各控制模块之间和未使用的程序空间设置软件陷阱可以有效地抑制程序乱飞,使程序运行更加可靠
第三节 国内外生产技术发展趋势 分析
现代口腔医学和牙科学是应用生物学、医学、理工学及其他自然科学的理论和技术,以 研究 和防治口腔及颌面部疾病为主要内容的科学。口腔医学的发展与应用材料、冶金与机械、生物材料、电子学、工程技术学及美学密不可分,口腔医学的学科性质属生物医学工程的范畴。口腔医学的服务依靠于牙科设备的使用,牙科设备工业是口腔医学的发展与应用的基础。近年来,随着医用电子学、工程技术学等尖端科学的发展,牙科设备不断更新改造,产品力求稳定、耐久、安全、多功能、高速度和小型化,在结构上也向着组合式方向发展,使之达到功能齐全、设计合理、便于操作,设备成本降低,便于保养和维修,缩短治疗时间,工作条件改善,减轻牙科病人痛苦和降低口腔医生劳动强度的目的,这些牙科新设备的推广应用,对口腔医疗工作必将带来极大的促进。先进的牙科设备能够为口腔医疗带来明显收益,带来效率与生产力提高、医疗质量提高以及更多的赢利。现代的口腔诊所己经成为了一个高科技设备的环境。当代牙科设备工业的科技进步为改善口腔保健服务展示了广阔前景。牙科设备工业发展趋势如下:
1、牙科设备数字自动化
作为现代科技革命内容之一的电子计算机技术和新材料技术的突破和创新,极大地推动着口腔修复技术和材料 研究 的进展。近年来数字化影像技术、国际互联网技术的成熟与应用,更扩大了计算机信息技术在口腔医学领域应用的空间,人工智能专家系统技术、计算机辅助设计与辅助制作技术、图形图像处理技术、多媒体技术、虚拟现实技术、Internet技术等应用于口腔医学教育、科研、临床及管理各个领域。多媒体咨询软件,牙科美容影像处理,数字化X光和口腔内窥镜系统,其实这些概念都出之于数字化牙科治疗的概念。例如:德国Siemens公司和后来的Sirona公司研制的Cerec系统是应用最为广泛、文献报道最多的系统,Cerec系统逐渐从仅能制作嵌体发展到能制作嵌体、高嵌体、贴面、内冠、全冠、三单位或四单位的固定桥的较为完善的CAD/CAM系统。CAD/CAM系统使口腔修复学摆脱了传统的方法,跨入现代高科技领域。使得嵌体或全冠在口腔修复领域得到了迅速的推广。例如:日本口腔数码全景头颅定位X光摄影机具有世界最快的全景和头颅定位数码摄影,完全的网络支持,综合的病历管理,多彩的摄影功能;·世界最初的8秒数码全景摄影,世界最快的6秒头颅定位摄影。例如:法国摄谱乐SOPRO595内窥镜摄像手柄应用数字化信号处理器,所有的对焦调节都是自动的,采用高品质光学产品(景深5~30mm),图像画面极其逼真。例如:德国VDWEndoIT具有数字化根扩动力系统。例如:美国SCHICK口腔数字成像系统是全世界第一部无线直接数字化X光成像数字化系统。当世界上先进牙科工业国已将数字化理念成功植入牙科治疗设备时,牙科治疗数字化(DigitalDentalOffice)时代就为期不远了。
2、牙科设备舒适人性化
近年来,可以看到很多牙科设备在外观的装潢上,大多使用丰富且夺目的色彩,以令病人产生强烈的感觉来加深对口腔诊所的印象。由于牙科设备具备了富有新鲜时代气息的形象,因而一般能给予病人安全感,这样,便起到了扩大病人面的有效作用。牙科设备的形象,有必要在业主认真考虑的基础上,进行自由且轻松的表现,并随着季节的变化去进行一些改变,以吸引病人的注意。经由牙科设备的颜色设计,可以很容易地制造一种舒适悠闲的气氛。例如:西诺德牙科设备有限公司口腔综合治疗台设计三种灵活的头枕位置,方便儿童和残障人士接受治疗,设计硅橡胶饰物盘用于盛放患者物品。例如:韩国HALLIM儿童型口腔综合诊疗台ARTE有如下特点:病人座椅-微电脑控制,弱电控制强电安全方便,电驱动油压工作运动十分平稳,无噪音。多种颜色可选。例如:美国登士柏新山猫洁牙机采用·垂直和水平两种放置方式,适用于任何操作场所。例如:瑞士EMSminiPiezon迷你洁牙机高档时尚设计——荣获Hannover工艺设计大奖。例如:日本NSK喷砂洁牙机喷粉含有令患者心情舒缓的柠檬香味,每支手机配备三种颜色(蓝、绿、粉色)的透明盖,便于牙科医生根据患者的特点而自由选择。例如:日本森田根管长度测定机设计根管针插入根管的深度采用大屏幕的液晶屏显示,清晰、直观;·测试时还同时用声音的变化来告知根管针前端在根管内的位置。例如:德国迪尔抽吸机(一台椅位)采用轻松且人性化的工作模式,医生的工作不会因患者的吞咽反应而被打断。
3、牙科设备品种多样化
口腔医学作为医学一门分支学科,不仅依赖于口腔医技人员的知识、经验和技巧,还在很大程度上依赖于设备条件。口腔医学的这一特点决定了口腔诊疗设备在口腔医疗中的重要地位。新型口腔诊所基本设备的最低标准是必须配备2台牙科治疗椅,单片X光机,高温高压消毒炉,以及相关辅助设备和设施。牙科设备包括牙科综合治疗设备、口腔医疗治疗设备、牙科种植设备、口腔医疗诊断设备、口腔医疗X光设备、口腔医疗影像设备、牙科技工设备、口腔医疗消毒设备等。随着医用电子学、工程技术学等尖端科学的发展,牙科设备品种不断多样化发展。例如:德国HRP双目手术放大镜用最高质量的的光学棱镜镜片、成像清晰、分辨率高、提供高亮度的真彩图像;·使用镀膜技术,减少了反射和增加光的通透型。防水防尘、影像立体、瞳距精确调节、设计紧凑、重量轻、不用时向上收起。例如:美国光固化机测光表适用于光固化机LED光强度测量。例如:韩国根管长度测量仪在任何根管条件下均能准确地读数(沾有干或湿的血液,EDTA,次氯酸钠,生理盐水)。例如:日本森田全自动根管扩大仪具有测定根管长度功能,可单独作为根管长度测定器使用。例如:日本NSKCARE3PLUS高性能手机清洗注油机可边运转手机内部的齿轮边洗净、注油,提高了工作效率,实现了简单、确切、经济实惠的手机维护保养。例如:加拿大SciCan光化合口腔消毒仪在龋齿和牙髓病的治疗中,能减少或完全排除二次感染的机会。
4、牙科设备使用简单化
使用简单和操作方便是国外牙科设备工业发展的重要趋势。以口腔综合治疗台来为例,其发展经历了从原始的生活坐椅加简单的器械台到机械一体化集成;从机械低速牙钻和自然采光到全自动高速牙钻和光纤照明;从简易的手工操作到机械化、自动化、电脑程控;从患者的固定体位,医生的强迫体位到随意调整、舒适安全的操作方式、超声技术以及医学图像处理技术等,在美观舒适、功能性、安全卫生、总体结构、材料选择和制造工艺等方面不断完善并创新。目前已综合体现了精细切削、人机工程、自动控制、机电一体化,使患者能在最舒适的体位下接受治疗。例如:西诺德牙科设备(佛山)有限公司全新的产品结构和设计理念,使得口腔综合治疗台椅位调节、冲痰及口腔灯控制完全由脚控实现,便于操作。例如:美国柯达8000C口腔全景X线机是完全不动的“ONESHOT”全世界唯一数码头颅正侧位一秒内成像摄影,让患者来不及动就已完成CEPH摄影。例如:数字化电脑控制牙椅TAURUSSTANE设计有负压清洁系统,通过负压过滤器较少频繁的保养,提高了痰盂的清洁效率。例如:日本FLAT口腔全自动洗片机简单的旋钮操作进行显影,定影,水洗和干燥;·通过外部液面显示可迅速简单地进行药液和清水的更换;·内部结构整体连动,有利于机器日常保养;·安装简便,无需专业施工。例如:日本森田口腔单片X光摄影机设计防误曝自动锁定功能,保证了每次摄影的成功率;病人座椅占地面积合理;正确的、方便的、明了的数码显示全自动摄影时间选择功能。例如:法国摄谱乐SOPRO595内窥镜摄像手柄极其轻盈,手柄托架可任意安置于医生方便操作的位置,轻触手柄,就可固定画面,并有自动开启/关闭内窥镜的功能。例如:加拿大SciCan卡式压力蒸汽灭菌器只需6-8分钟,便可以完成器械消毒工作,可大大降低某些昂贵器械如手机和正畸矫治器等的库存量。也可减轻长时间消毒对手机机头使用寿命的损耗。例如:德国ORALIA口腔激光综合治疗仪采用真正的multi-station多功能系统,搭建极其简单,主机放置在手术室的任何地方,操作控制台安装在器械台上使用。实现一台设备同时提供软激光和硬激光,使得医生在操作时不用更换设备,方便使用,真正做到随心所欲自动的管理。
5、牙科设备创新高速化
口腔治疗设备的不断升级换代的发展从表面上看是牙科医学不断追逐时尚的结果,但本质上说却是社会经济与技术不断进步、不断进化的结果。在过去的十年中,科技奇迹般地改变了世界。牙科设备创新高速化影响到每一个口腔医生,这些设备包括牙科数位化放射摄影仪、镭射、电脑化的探针、CAD/CAM修复制造系统、整形成像、改进的牙科产品以及大量其他革新。美国waterlase无痛水激光治疗系统、美国laser-smile多用途冷激光牙齿美白系统、意大利优尔敦ISO-TRON欧陆金影超豪华型综合治疗工作站、意大利优尔敦内窥镜系统、芬兰PLANMECA全景X光机、瑞士EMS超声波及无痛喷砂洁牙系统、德国MBT牙齿正畸系统等是世界前沿牙科设备的代表。例如:卡瓦公司PROPHYflex喷砂机能有效地清洁窝沟、去除色素沉着、软垢,而不会对牙釉质表面和软组织造成损伤,操作者既可选用碳酸氢钠的喷粉也可选用碳酸钙成份的“珍珠粉”。例如:日本森田口腔单片X光摄影机设计有世界唯一的单片摄影和全景摄影共用控制盒功能。日本口腔数码全景头颅定位X光摄影机具有世界唯一的全自动定位以及全自动曝光的AEAF智能化摄影条件功能。例如:法国摄谱乐SOPRO595内窥镜有多种连接方式:可与PC、笔记本电脑、显示器连接,新版中文软件,可自行上网更新。例如:瑞士EMSminiPiezon迷你洁牙机特殊的电路设计,每秒7次调整功率输出—随时保证有足够的力量去除坚硬的牙石。例如:瑞士EMSAir-FlowMaster专家喷砂系统是全球唯一可以用于龈下喷砂治疗的喷砂系统。例如:日本NSK喷砂洁牙机精心设计喷嘴的长度、角度、曲线等,以便牙科医生能简便、有效地清除各个部位的牙垢,对牙斑金属矫正器周围污垢的去除也有极好的效果。例如:美国TRRY牙根管长度测定仪采用两种不同的周频信号,适合根管内复杂环境,准确度高。机内设置仪器自检装置,可随时监察仪器系统的准确性。例如:日本NSKSurgicXT高性能无碳刷种植机设计新颖、造型美观,且具有记忆功能。便携式微型控制台及坚固耐用的脚控操作,使得操作人员能始终如一地专注于手术过程。例如:日本NSK可充电根管治疗仪TC标准套应用微控技术研制出了具有5种转矩设定的无线马达,可提供根管治疗要求的精确转矩及包括抛光等普通治疗的大转矩。例如:美国3M无绳光固化灯采用的LED的光能是传统卤素灯能量的10倍。例如:日本NSK高低速手机经典套装最早采用整体式轴芯,具有高转矩、低噪音、长寿命等特点,手机柄内部设计成不易积存污垢的造型,经久耐用,可反复耐受高温高压消毒。例如:德国ORALIA口腔激光综合治疗仪备采用半导体激光具有良好的生物效应,对血红蛋白的吸收率高,无论是切割,还是消毒,或是治疗脱敏,效果均很理想。例如:日本齿科CT机,采用多层螺旋CT容积扫描和特殊齿科扫描技术,这种技术通过软件对图像进行后处理,牙槽骨、颌骨的矢状面和冠状曲面图像及牙槽骨微小损伤病变等,都能清晰地显示在电脑屏幕上,通过这些图像,医生能够更准确地判断出患者的病因,对症下药,极大地减少了病人的痛苦。
6、牙科设备使用安全化
现代牙科设备已综合应用了当代各项高新技术,正围绕着美观舒适、功能、安全、卫生等方面不断创新,已达到较完善的外形、质量、技术、功能的统一。例如:美国柯达2000直流高频技术牙科X线机来采用直流高频技术,辐射曝光剂量至少减少30%,独特的油气式平衡臂,球管头可作410º旋转,定位准确、简便、稳定,液晶数字式定时器。例如:意大利卡斯特里尼EVO_spri牙椅设计以卫生消毒、安全为首位,操作简洁方便、性能稳定等特点。例如:韩国设计残疾人士专用牙科综合治疗台,病人座椅可旋转,方便残疾人式安全带固定头、胸、腿部位,防止病人移动过程中发生危险另附加水盂,专为残疾人士设计。例如:法国SleeperOne口腔无痛电子麻醉注射仪执笔式(支点)设计,临近操控、手术监测,动力传输、舒适、安全,这个崭新的、前所未有的、符合人体工程力学的仪器确保了无痛齿龈麻醉的完美实现而没有牙周韧带麻醉时针头偏转现象产生,独有的永久阻力 分析 系统使注射适用于所有的肌肉组织,提供设置两种速度,确保所选速度适应每个临床手术,完美注射,不会给病人带来任何痛苦和外伤。例如:美国登士柏新山猫洁牙机采用PTC电热调节器:保护一起和患者不受高温影响;采用工作插头尖端呈椭圆形运动:不限定工作面,确保患者感觉舒适。例如:瑞士EMSminiMaster迷你专家洁牙机手柄前端可拆卸,可高温高压消毒,有效防止交叉感染。例如:日本森田全自动根管扩大仪扩大针尖端位置有模拟功能,在短时间内,能安全、有效地进行根管扩大,与具有柔软性的NI-TI扩大针组合,在遇到弯曲根管时,能安全地进行扩大。例如:美国3M无绳光固化灯封闭的手机外壳无风扇,使消毒灭菌成为可能。例如:德国迪尔抽吸机(一台椅位)采用以300升/分钟的流量对喷雾进行抽吸,为防止传染提供强有力的保护。
免责申明:本文仅为中经纵横 市场 研究 观点,不代表其他任何投资依据或执行标准等相关行为。如有其他问题,敬请来电垂询:4008099707。特此说明。