第一节 恒流二极管生产工艺介绍
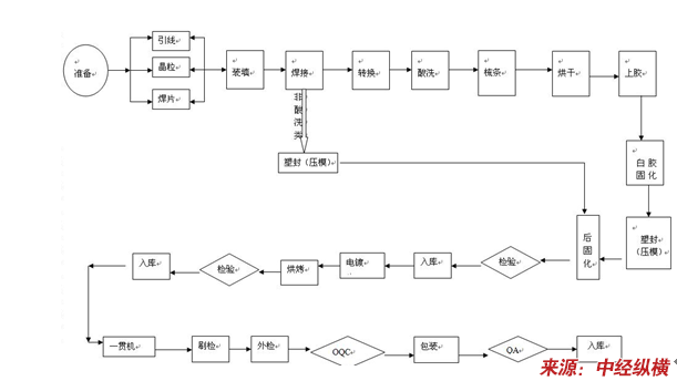
恒流二极管生产工艺流程:

恒流二极管生产工艺流程图
芯片测试—与引线框架组装—烧结—酸洗—上胶—烘烤—塑封—后固化—电镀—印字测试—外检—包装—QA检验—入库—发货。
第二节 国外恒流二极管生产工艺发展阶段比较
美国的恒流二极管主要是10毫安以下的产品,国际市场上流通很少。日本的恒流二极管产品主要是20毫安以下的产品,有产品在国际市场上流通,但是技术特性较差,产品种类少,恒流特性不能满足要求。我国(贵州)的产品种类覆盖了美国和日本的所有产品型号,大电流指标是日本产品的2-4倍,启动电压是日本产品的2/3,恒流区宽于日本产品,恒流精度高于日本产品。我国(贵州)的恒流二极管产品是目前国际上技术参数和质量指标最好的,同时还有和二端恒流管兼容的电流可调整的三端恒流二极管。我国产品全部采用国际标准封装(日本有部分大电流产品是非标准封装)。
第三节 我国恒流二极管生产工艺创新路径
恒流二极管S-183:S新系列恒流二极管在原E/F系列的基础上做了一些改进和补充,主要体现在以下几个方面:
1、部分型号产品耐压值有所提高:E/F系列型号(E-822/F-822---E-153/F153)产品耐压值在25V--50V之间(其中E-153为25V,F-153为28V);而S系列型号(S-822---S-153)产品耐压值均可达到50V,S-183的耐压为40V。
2、增加了S-183型号产品:E-153/F-153额定电流(12MA--18MA),一般电路应用中,受工作温度所限制,电流做到(12MA--15MA);而S-183额定电流范围是(16MA--20MA),在一般电路应用中电流可做到(16MA--18MA)。
3、S系列产品在元件的封装上做了改进: E系列为直插系列;F系列为贴片系列,其封装形式为圆柱型,其焊接面存弧形;而S新系列其封装形式为长方体,其焊接面为一个平面,与普通的贴片电阻相似,更加符合现代化的生产工艺。
第四节 国内恒流二极管生产设备介绍
1、焊接:需要的设备有打引线机,装引线机,石墨盘,焊接炉。
2、酸洗:酸洗机、点胶机、烘箱。
3、成型:注塑模具、烘箱、冲压模具。
4、电镀:电镀槽、烘箱。
5、引直。
6、测试包装:印字机、包装机或者一贯机。另外还要空压机。
第五节 国内恒流二极管生产设备应用 分析
1、焊接
辅助工序有排向、装填、进炉、出炉转换组成。目的是利用焊片通过一定温度,使芯片与金属引线连接,形成欧姆触角。
2、酸洗
酸洗、梳条烘干、上胶、白胶固化。目的是利用各种酸和水,对芯片P-N结周围边缘表面进行化学腐蚀,以改善机械损伤,祛除表面吸附的杂质,降低表面电场,使P-N结的击穿首先从体内发生,以获得于理论值接近的反向击穿电压和极小的表面漏电流。利用化学品将晶片表面加以侵蚀,使P-N接面呈现正角比例以获得最佳之电性品质。于晶片表面形成sio2,己达到绝缘目的。分为碱洗(绝对正角,不腐蚀金属;较不污染环境);酸洗(反应速率快,容易清洗)两种。
3、模压
模压工艺目的是使管芯与外界环境隔离,避免有害气体的侵害,并使表面光洁和具有特定的几何形状,起到保护管芯、稳定表面、固定管芯内引线,提高二极管机械强度,方便客户使用的作用。
4、成型固化
成型固化目的是对模压后的二极管的塑封料通过高温烘烤,以提高塑料的可靠性。挥发表面的油污和释放黑胶收缩压力,剔除早期不良品、失效管,提高二极管稳定性。
5、电镀
管子的引线通过电镀使表面形成一层薄膜的锡层,以提高管子引线的可焊接性、防护性能,提高化学稳定性。
6、测试包装
将外观不良品捡出,防止电性合格而外观不合格的产品流入客户处使用。对电性做再次确认,提高二级管的可靠性。按标准或要求对经过分类包装的产品进行产品包装,起到便于存储和运输的作用。
第六节 我国恒流二极管技术研发 分析
未来,LED可期待作为节能降耗,长寿命的光源,非常受到注目。CRD在不同的用途领域上经历了30年供给的长寿命产品,但经过CRD用途 分析 发现,随着可作为稳定LED的芯片销售量不断在扩大,CRD的销售也在不断增加。
石塚电子在2007年高精度,大电流的L系列CRD产品投入市场,只用1个芯片,就可以提供到30mA稳定电流。
2008年环氧树脂包封的S系列CRD产品投入市场,便于组装使用。除此之外,CRD S系列作为主要的零部件制成模块,研发高附加价值的模块CRD。
免责申明:本文仅为中经纵横 市场 研究 观点,不代表其他任何投资依据或执行标准等相关行为。如有其他问题,敬请来电垂询:4008099707。特此说明。