第一节 制罐机产品主要技术、工艺现状
发达国家有相当一部分专家学者从事制罐机的 研究 工作,所涉及的领域从包装内容物一直到罐技术,印铁技术、检测、化验技术,将计算机、自动化控制、电子工程技术等现代新技术很快应用于制罐机 行业 ,并形成了一套理论用于指导 行业 ,有一套完整的教材和培训体系。而我内地的制罐机企业各自为战,技术上很难突破,很难实现标准化。
第二节 制罐机产品生产工艺特点或流程
制罐机根据容器的类型分为多种,下面以两片罐为例说明制罐机产品生产工艺特点。
两片罐是为替代有严重铅污染的锡焊三片罐而发展起来的。两片罐是采用一定形状的金属板片,用冲床通过拉深成型模具,使之经拉深、压延变形,成为罐底罐身为一体的包装容器。因其整个罐体由两件组成,故称之为两片罐。两片罐与三片罐相比具有如下优点。如罐身无接缝、罐身与罐底无卷边封接,故密封性好,且节省了原材料;罐身可进行全面积装潢印刷;制罐程序简单,效率高等。但也有不足之处,如对制罐材料的性能要求高,设备投资都较大,制罐技术、设备与模具精度要求也较高等。
1、变薄拉深两片罐成型加工及设备
最早出现的变薄拉深两片罐是变薄拉深两片铝罐,后来才出现了变薄拉深镀锡钢板(马口铁)两片罐。
变薄拉深两片罐加工工艺流程图

1-板坯料; 2-冲压预拉深;3-再拉深; 4、5变薄拉深; 6-再变薄拉深完成成型;7-切罐身高度、齐边
变薄拉深两片罐是在冲床上经模具内拉拔伸展而成型。所用板坯材料的厚度为0.3~0.4mm,成型后的罐身壁厚为0.1~0.14mm,罐底基本保持原坯厚。这种罐主要用于啤酒及含气的碳酸类饮料的包装。
1)变薄拉深两片罐加工工艺
变薄拉深的工艺流程为:原材料(板材)→涂润滑油→下料(坯料)→冲拉→多次变薄拉深(1~3次不等)→切边(切罐口平齐)→清洗→烘干→罐内外表面喷涂→缩颈或翻边(直罐缩颈可省)→装潢印刷。
2)变薄拉深两片罐的主要成型设备
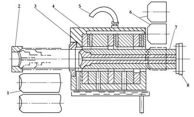
一套完整的变薄拉深两片罐生产线由十多台不同类型的设备组成。主要有薄板输送机、涂油机、多功能冲压机、再次涂油机、剪板机、坯料堆码机、整形冲机、控制装置及系统、后续处理设备和附属设备等。大部分设备与焊接三片罐相同。完成变薄拉深的关键设备是冲压机床和成型加工的配套模具。
能否实现变薄拉深,模具是关键,各次成型加工的模具是不同的。现代制罐机中多采用复合式制罐模具。这种模具设计与制造要求较高,以便承受成型加工的冲击力和压应力,并保证加工质量和模具寿命。图示为冲切-冲压预拉深-再拉深复合模具的结构,图右曲线为该模具的冲床滑块行程曲线。该模具一次冲压加工能完成冲切、预拉深和再拉深。变薄拉深和成型复合模具,一个行程可完成变薄拉深三次而成型。
冲切-预拉深-再拉深复合模具

1-再拉深凸模; 2-预拉深凸模; 3-冲切模; 4-压料环; 5-板坯料; 6-预拉深环 7-预拉深模; 8-再拉深模; 9-再拉深环; 10-模座
2、深冲拉拔两片罐成型加工设备
深冲拉拔罐又称冲拉罐。它分浅冲罐和深冲罐两种,浅冲罐只需冲拉一至二次即可,而深冲罐则需多次再冲拉才能完成加工成型,具体再冲拉次数决定于所用材料性能与罐身高度。其余前后加工工序与变薄拉深两片罐相同。
浅冲罐有圆罐、椭圆罐、方形罐及其它异形罐等多种,深冲罐则只有圆形罐。
冲拉罐用材为厚度0.2~0.3mm的铝板和镀锡钢板(马口铁)。
1)深冲拉拔两片罐加工工艺
冲拉两片罐比变薄拉深两片罐的加工工艺简单。图17-16为冲拉罐加工工艺流程图,加工过程为:原板料(板材或卷材)→冲切成波形板料→涂敷润滑剂→圆片坯下料→冲杯→再冲拉(一至多次,依罐尺寸而定)→罐底成型→凸缘切边→检验。
变薄拉深-成型复合模具

1-成品; 2-罐底成型模; 3-变薄拉深环; 4-模具壳体;5-胶管; 6- 再拉深所得杯筒; 7-冲头模; 8-滑块
冲拉两片罐成型后,罐身各处厚度基本上与罐坯材料相同,冲拉罐身的材料(拉长)靠凸缘处的材料流动作补偿。故坯料大小与罐冲拉深度、材料性能、冲切模具结构均有较大关系。
冲拉罐制罐工艺流程图

1-板坯; 2-预拉深杯; 3-第二道拉深杯; 4-第三道拉深杯; 5-整形与压低成型加工; 6-冲切修整
2)冲拉制罐成型及主要成型设备
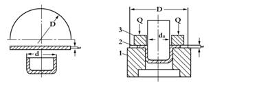
冲拉制罐原理如图所示。直径为D的制罐坏料置于凹模上,用压料环3压住坯料周边,直径为d0的上冲模下冲时,坯料圆周方向产生收缩性塑性变形流动,以补偿拉深的周边纵向变形,并保持厚度不变。压料环压住板坯料周边、限制板坯料在冲拉中起皱。压料环施加压力Q的大小应适中,太小不能防止起皱;太大会阻碍拉深。模具间隙也应恰当,太大罐身会起皱且罐身壁厚会加大;太小需要冲拉力就大,且易擦伤罐身。
冲拉罐冲拉原理图

1-下模; 2-板坯料; 3-压料环
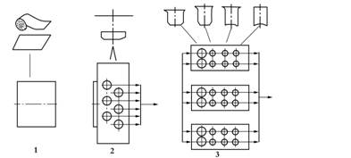
拉罐常用主要加工设备:关键设备是压力机及其配套模具。常用压力机为多头、多段、连续动作的压力机;模具多采用多工位组合模具。下图为冲拉罐成型加工的主要设备配置示意图。它使用了一台六工位压力机,其后并排配置三台双动拉深压力机。每台双动拉深压力机上并排安装两排四个连续工序的模具,它们分别完成第二道拉深、第三道拉深、整形和底部成型及最后的切边加工。其它配套加工设备与变薄拉深两片罐相同。
冲拉罐成型加工主要设备配置图

1-坯料供给装置; 2-六工位压力机; 3-双动拉深压力机
第三节 制罐机产品技术发展阶段 分析
制罐机 行业 发展较快,但却不平衡,其中罐头空罐和钢桶发展缓慢,但印铁制罐发展较快。
1、印铁制罐
印铁制罐 行业 是个综合性 行业 ,产品总在不断发展,如今,它已是集印铁、二片罐、三片罐、喷雾罐、各类杂罐、各类瓶盖、小方桶(2.5升、4升),油漆罐(1升、2升、4升、18升)等于一身。据不完全统计,该 行业 近几年技术引进及改造所用资金4.6亿美元以上,但引进项目以三资企业居多, 行业 主要庆以提高技术装备的科技含量,以高档次,高品质的产品取胜。而印铁产品因其操作技术难度较大,而投资风险小,市场容量大,适应面宽,有其发展的优势,但相对投资较大。
2、钢桶
过去由于盲目发展,钢桶市场已供大于求。虽然我国石化工业有所增长,因目前受到以塑代钢产品的影响(主要是中、小包装),所以,对钢桶的需求增长旺,加工钢桶的生产设备大部分为国产机,产品质量有待提高。尤其是外观设计和印制,国外已采取特殊印刷工艺,所印制的钢桶外观色泽鲜艳、层次丰富,膜层坚固,不脱落。而我国目前生产的钢桶大多采取喷漆,即有污染也不能很好地解决商标问题,所以,供求关系暂时发生很大变化。提高产品的内在和外观质量是其进一步发展的基础。
3、罐头空罐
我国罐头厂有规模的大中型企业有上百家,其余均乡镇或民营企业,鱼龙混杂,产品质量大多低劣。在大中型企业中,约有50%采用引进设备,包括空罐及罐装生产线,基本是德国克鲁伯,卡加安马公司,意大利西布莱尼公司,瑞士苏德罗尼克公司的产品。
从目前情况看,制罐机 行业 仍呈发展的态势。其原因有三:
1)随着人民生活水平的不断提高,工作生活节奏加快,饮食习惯在发生改变,对方便食品的需求在增加。汽车工业的发展也刺激了石化产品的深加工、多样化、专业化。上述变化引起了制罐机需求的增长。
2)我国饮料工业发展迅速,果汁饮料有广阔的原材料,开发应用的潜力很大,而金属包装目前还不能完全适应果汁型饮料的包装需求,果汁包装大多为纸铝塑复合包装。虽然纸名塑复合包装目前在国内很流行,但前途暗淡,其在环保和资源回收方面无任何优势,所以用金属包装取代已成定局。
3)我国社会主义市场经济发展,全球一体化,国际市场的开拓,也会对制罐机的发展起促进作用。由于金属包装容器以镀锡薄钢板、冷轧薄板、铝板为基材,产品生命周期长,易保存,便于长途运输,实用性强,耐用性好,是包装工业中经久不衰的产品。
免责申明:本文仅为中经纵横 市场 研究 观点,不代表其他任何投资依据或执行标准等相关行为。如有其他问题,敬请来电垂询:4008099707。特此说明。
上一篇:发芽糙米产品概述
下一篇:甲醇行业发展状况比较分析